全國免費服務熱線
發展歷程
榮譽資質
領導致辭
企業簡介
精神●中國
技術資料
行業動態
企業新聞
主營產品
耐壓試驗裝置
安全工器具絕緣性能
電纜/線路檢測
變壓器檢測
繼電保護測試儀
蓄電池檢測儀
電阻檢測
避雷器檢測
開關檢測
互感器檢測
六氟化硫檢測
油、化分析儀
無功補償、發電機檢測
進出口儀器
其他
檢驗報告下載
試驗規程下載
說明書下載
廠家選型
應用選型
承修承試選型
客戶建議
售后服務
簡歷下載
招聘要求
招聘職位
公司總部
旗下公司
營業部地址
TRIUMPH THOUGHT,INSPIRE NEW LIFE!
KDZD4830多功能配電檢測電源裝置,技術資訊,新聞中心,武漢凱迪正大電氣有限公司,各種電子設備均離不開供電電源,國家電網有110 kV、220 kV、500 kV幾個常用的電壓等級,在人們日常生活中,主要應用的多是380/220V的交流電壓。用電設備與供電電源一般通過各種配電柜、配電箱或移動配電插座等聯接在一起。供配電系統(包括電源和配電中轉單元)是否正常直接影響到用電設備的工況。武漢凱迪正大電氣有限公司設計KDZD4830多功能配電檢測電源裝置可
2019-09-20
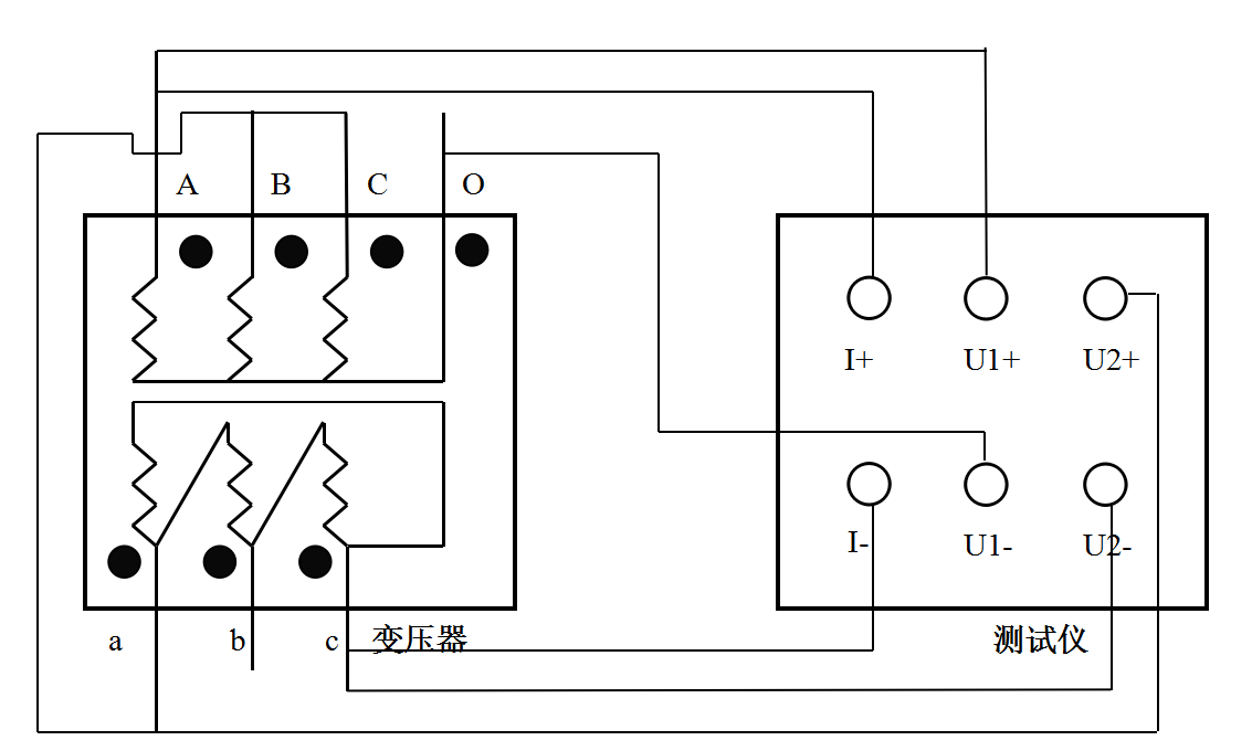
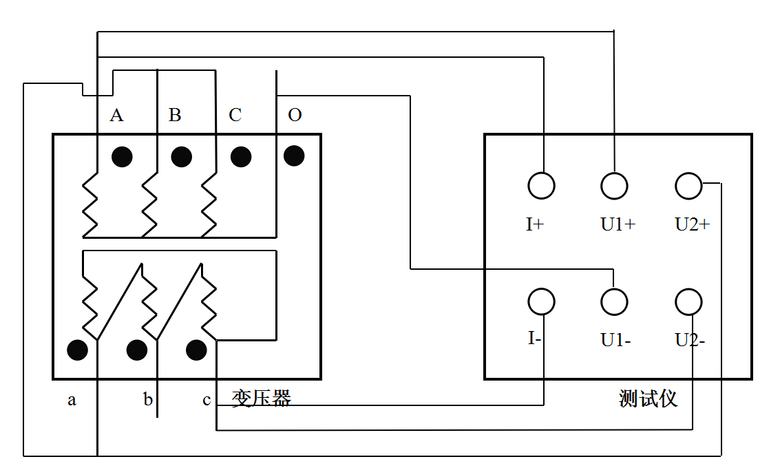
10kv配網電力變壓器需要做哪些試驗?,技術資訊,新聞中心,武漢凱迪正大電氣有限公司,依據GB/T18854-2002(ISO11171-1999)等國家及國際標準研制的專門用于油液中污染度等級的檢測。KDZD電力變壓器自動檢測裝置用于對電力變壓器停電例行試驗項目,進行自動化檢測。其特點是集介質損耗、絕緣電阻、直流電阻、分接開關切換特性、短路阻抗及變比等六項檢測項目于一臺儀器,使儀器功能、試驗電源和試驗引線高度融合。現場試驗時,只需開始接線一次、結束拆線一次,中間過程由試驗人員在電腦終端發送指令
2019-04-19
KDWS-28冷鏡法SF6氣體露點儀為什么得到鐵路界青睞,技術資訊,新聞中心,武漢凱迪正大電氣有限公司,KDWS-28型便攜式冷鏡法SF6氣體露點儀是我公司和凱迪電力設備研究院基于斯特林制冷原理專門設計用于電力行業全溫區進行SF6氣體微量水分檢測的儀表設備。可以在環境溫小于60℃的各種環境下,以露點±0.2℃的測量精度進行SF6氣體的微量水分檢測。KDWS-28產品測試速度快,性能穩定,重復性好。適用于電力行業SF6新氣,再生氣體,運行氣體及故障氣體的微量水分檢測。為電力行業現場工
2019-04-11
10kV電壓互感器(空載負載試驗)技術方案由凱迪正大公司提供,技術資訊,新聞中心,武漢凱迪正大電氣有限公司,10kV電壓互感器空載負載試驗校驗技術方案適用范圍:適用于試品10kv及以下電壓互感器空載負載試驗凱迪(KD)互感器檢驗系統配置序號設備名稱設備型號數量設備參數110kV自升壓標準電壓互感器KDHG-G21臺準確度等級:0.05級電壓等級:10kV/√3/100V/√3絕緣方式,干式3控制箱(5kVA)KDX-PD31臺額定容量:3kVA輸入:220V輸出:0
2019-04-05
KDZR-XY三相直流模擬電阻校準裝置操作指南,技術資訊,新聞中心,武漢凱迪正大電氣有限公司,KDZR-XY三相直流模擬電阻校準裝置等效為四端電阻,Io為電流公共端,Ia(10A/50A)、Ib(10A/50A)、Ic(10A/50A)電流端。Uo為電流公共端,Ua、Ub、Uc電壓端子;開機后,儀器進入自檢過程,約4S后才進入正常狀態(如圖)。本儀器開機后,電流檔位選擇:電流檔位是根據被校準儀器電流選擇,被校準儀器在0-10A時電流檔位選擇10A,被檢測電流在10-50A時電流檔位選擇50A檔(
2019-04-03
KDJF-2006局部放電測試儀試驗準備,技術資訊,新聞中心,武漢凱迪正大電氣有限公司,KDJF-2006局部放電測試儀是我公司針對傳統的局部放電檢測儀示波管亮度低、壽命短的問題,新研制的數字式液晶顯示局部放電檢測儀。KDJF-2006局部放電測試儀保持了成熟型號產品檢測靈敏度高,試樣電容覆蓋范圍大,適用試品范圍廣,輸入單元(檢測阻抗)配備齊全,頻帶組合多(九種)的優點。操作、及結構安裝形式與以往型號完全兼容,便于已有系統設備的升級改造。KDJF-2006局部放電測試儀試驗準備1)檢查試驗場地的
2019-04-02
KDZR-20L直流電機片間電阻測試儀儀測試與操作方法?,技術資訊,新聞中心,武漢凱迪正大電氣有限公司,KDZR-20L直流電機片間電阻測試儀儀測試與操作方法?1、接線:把專用測試線與本機接線柱連接,連接牢固,同時把地線接好。2、電流選擇:打開電源開關(開關上I為開,O為關)同時顯示屏上會顯示全部電流值,這時可通過選擇鍵對所測試品預置電流進行選擇,每按一下選擇鍵,光標會滾動在各電流值2.5A、5A、10A、20A、40A之間。3、測試:當選擇好電流后,將兩個測量電極放置到被測的兩個片上,按下標有
2019-03-05
KDZR-10A直流電阻溫升測試儀性能及接線方法,技術資訊,新聞中心,武漢凱迪正大電氣有限公司,變壓器的直流電阻是變壓器制造中半成品、成品出廠試驗、安裝、交接試驗及電力部門預防性試驗的必測項目,能有效發現變壓器線圈的選材、焊接、連接部位松動、缺股、斷線等制造缺陷和運行后存在的隱患。為了滿足變壓器直流電阻快速測量的需要,公司利用自身技術優勢研制了20A雙通道變壓器直流電阻測試儀。KDZR-10A儀器采用全新電源技術,具有體積小、重量輕、輸出電流大、雙通道測量,實時采樣等特點。整機由單片機控制,自動
2019-02-21
凱迪正大直流電阻測試儀使用中常見的問題,技術資訊,新聞中心,武漢凱迪正大電氣有限公司,凱迪正大直流電阻測試儀使用中常見的問題直流電阻測試儀是測量變壓器繞組以及大功率電感設備直流電阻的理想設備。變壓器繞組的直流電阻測試是變壓器在交接、大修和改變分接開關后,必不可少的試驗項目。在實際應用中,用戶難免會遇到一下問題。下面由專業的生產廠家——武漢凱迪正大電氣有限公司為您講解常見的三個問題及處理方法。1.直流電阻測試儀一開機就燒保險。開機燒保險情況需要分兩種情況:5A~10A
2019-02-18
便攜式直流高壓發生器對試品進行泄漏及直流耐壓試驗,技術資訊,新聞中心,武漢凱迪正大電氣有限公司,武漢凱迪正大公司研制的便攜式直流高壓發生器,主要部件選用德國、日本、美國等國先進技術的元器件。性能卓越的大功率IGBT器件及其驅動技術的采用,使直流高壓發生器實現了便攜式、高品質,并能承受額定電壓放電而不損壞。便攜式直流高壓發生器是適用于電力部門、發電廠、科研單位、鐵路、廠礦企業動力部門、化工廠等發電機、變壓器、開關、對磁吹避雷器、氧化鋅避雷器、電力電纜等設備進行直流高壓試驗,是新世紀最理想的換代產品
2019-02-15
凱迪正大:使用高壓試驗變壓器做耐壓試驗注意事項,技術資訊,新聞中心,武漢凱迪正大電氣有限公司,凱迪正大:使用高壓試驗變壓器做耐壓試驗注意事項高壓試驗變壓器又名交直流試驗變壓器。交直流試驗變壓器是供電局、發電廠及科研單位等用來做交流耐壓試驗的基本試驗設備,用于對各種絕緣材料、電器元件、電氣產品等進行規定電壓下的工頻耐壓試驗和直流泄漏試驗。交直流試驗變壓器工作原理:將工頻電源輸入操作箱(或操作臺),經自耦調壓器調節電壓輸入至試驗變壓器的初級繞組。根據電磁感應原理,在次級(高壓)繞組可獲得工頻高壓。此
2019-02-14
直流高壓發生器做電纜的直流耐壓有哪些規定?,技術資訊,新聞中心,武漢凱迪正大電氣有限公司,用直流高壓發生器對電纜的主絕緣作直流耐壓試驗或測量絕緣電阻時,應分別在每一相上進行。對一相進行試驗或測量時,其它兩相導體、金屬屏蔽或金屬套和鎧裝層一起接地。試驗結果異常,但根據綜合判斷允許在監視條件下繼續運行的電纜線路,其試驗周期應縮短,如在不少于6個月時間內,經連續3次以上試驗,試驗結果不變壞,則以后可以按正常周期試驗。新敷設的電纜線路投入運行3~12個月,一般應用直流高壓發生器作1次直流耐壓試驗,以后再
2019-02-13
35kV電力電纜用串聯諧振耐壓試驗裝置如何接線試驗,技術資訊,新聞中心,武漢凱迪正大電氣有限公司,根據國家最新試驗標準,35kV及以上電力電纜交接試驗需要做1小時耐壓實驗。我們公司的最新產品已經和國家標準同步更新。現對長時間試驗的接線和配置做簡要說明,即先將諧振裝置的電抗器串聯后將諧振裝置的電抗器并聯。參考圖選下圖8-2。在2006年DL/T596電力設備預防性試驗規程新增交流耐壓試驗,其中電纜交流耐壓試驗,Q/GXD126.01-2006《電力設備交接和預防性試驗規程》已明確在電力電纜的交接試
2019-01-28
KDZR-XY模擬直流電阻標準器(回路電阻測試儀校驗裝置),技術資訊,新聞中心,武漢凱迪正大電氣有限公司,KDZR-XY模擬直流電阻標準器產品概述KDZR-XY是一款可精確模擬直流標準電阻的儀器,范圍:1.0000μΩ~200.000Ω,準確度為0.02/0.05級可選,適用于校準回路電阻測試儀、直流電阻測試儀、及其他直流低阻儀器。參考標準:JJG1052-2009《回路電阻測試儀、直阻儀檢定規程》、DL/T967-2005《回路電阻測試儀與直流電阻快
2019-01-26
凱迪正大礦井用電纜故障測試儀該怎么選擇呢?,技術資訊,新聞中心,武漢凱迪正大電氣有限公司,礦井用電纜故障測試儀該怎么選擇呢?武漢凱迪正大礦用電纜故障測試儀專業供各類礦用6KV以下電纜在煤礦地面進行擦傷,并在電纜修復后直流耐壓測試和泄漏電流試驗之用。是一臺符合《煤礦電氣試驗規程》要求的,實用性強的電纜修理的電纜測試的綜合性必備工具。凱迪正大礦用電纜故障測試儀產品別稱:電纜故障儀,定點儀,路徑儀,電纜故障尋徑儀,電纜故障尋蹤儀,便攜式電纜故障定位系統,電纜故障閃測儀,電纜故障定點儀,電纜路徑儀,全智
2019-01-22
湖南三電SF6氣體密度繼電器使用技術特點,技術資訊,新聞中心,武漢凱迪正大電氣有限公司,SF6密度繼電器(以下簡稱繼電器),主要用于控制和監視密封容器中SF6氣體的密度。一般應用在高壓開關、中壓開關、氣體絕緣設備(GIS)、變壓器和互感器上,且適合戶外惡劣的環境。湖南三電公司選擇SF6密度繼電器特點:全不銹鋼外殼,防水防腐性能好,且外型美觀。感溫元件采用進口材料,性能穩定,一致性好。控制一體。充有硅油,耐振動,耐沖擊。觸點裝置為磁助式、高性能電接點。規格齊全。湖南電力電瓷電氣SF6密度繼電器說明
凱迪正大電纜接頭正確安裝方式以及注意事項,技術資訊,新聞中心,武漢凱迪正大電氣有限公司,凱迪正大電纜接頭正確安裝方式以及注意事項電纜接頭又稱電纜頭。電纜鋪設好后,為了使其成為一個連續的線路,各段線必須連接為一個整體,這些連接點就稱為電纜接頭。電纜線路中間部位的電纜接頭稱為中間接頭,而線路兩末端的電纜接頭稱為終端頭。電纜接頭是用來鎖緊和固定進出線,起到防水防塵防震動的作用。按安裝場所可分為戶內式和戶外式兩種。按制作安裝材料又可分為熱縮式(最常用的一種)、干包式,環氧樹脂澆注式及冷縮式。按線芯材料可
2019-01-21
FDT-220/110直流系統綜合測試儀蓄電池組負載測試,技術資訊,新聞中心,武漢凱迪正大電氣有限公司,隨著社會的進步和信息化、自動化程度的不斷提高,人們對電力、通信、金融、交通等行業的依賴程度進一步加深,也就對供電系統的可靠性提出了更高的要求。無論在電力變電站、電信機房、移動基站還是UPS系統中,蓄電池作為備用電源在系統中起著極其重要的作用。平時蓄電池處于浮充電備用狀態,由交流市電經整流設備變換成直流向負荷供電,而在交流電失電或其它事故狀態下,蓄電池是負荷的唯一能源供給者,一旦出現問題,供電系
變頻串聯諧振試驗成套裝置使用維護說明書,技術資訊,新聞中心,武漢凱迪正大電氣有限公司,KDXZ-II變頻串聯諧振試驗成套裝置如何做變壓器、GIS的交流耐壓試驗?變壓器、GIS接線原理圖,如圖常見變壓器繞組電容值如下表60kV級全絕緣變壓器的電容(pF)試品容量類型630(kVA)2000(kVA)3150(kVA)6300(kVA)800(kVA)16000(kVA)35kV變壓器16000(kVA)高壓—地2700410046005900700082008000低壓&mdas
2019-01-18
凱迪正大電纜故障檢測儀安全問題注意事項,技術資訊,新聞中心,武漢凱迪正大電氣有限公司,凱迪正大電纜故障檢測儀測試時需要注意的一些安全問題故障測試安全問題分為測試人員安全及設備安全。測試人員安全要注意儀器的接地和放電,設備安全主要是正確接線,除了按說明書要求操作外,注意理解下面幾點:第一點:“一點接地”與“多點分開接地”:閃測儀高壓沖閃法測試時,要求高壓回路一點接地,即高壓試驗變壓器、電容器的接地端直接連到電纜鎧裝(鎧裝要接地),要用最短的線直接接鎧裝,不要連線過長,這主要是為了保證測試波形的標準
2019-01-17
35kV電力電纜做耐壓長時間(1小時)試驗,技術資訊,新聞中心,武漢凱迪正大電氣有限公司,根據國家最新試驗標準,35kV及以上電力電纜交接試驗需要做1小時耐壓實驗。我們公司的最新產品已經和國家標準同步更新。現對長時間試驗的接線和配置做簡要說明,即先串后并。參考圖選下圖8-2。在2006年DL/T596電力設備預防性試驗規程新增交流耐壓試驗,其中電纜交流耐壓試驗,Q/GXD126.01-2006《電力設備交接和預防性試驗規程》已明確在電力電纜的交接試驗、預防性試驗中,優先采用交流耐壓試驗作為質量判
2019-01-16
KDZD887系列FDT-220/110直流系統綜合測試儀附錄C充電機測試相關標準解讀,技術資訊,新聞中心,武漢凱迪正大電氣有限公司,KDZD887系列FDT-220/110直流系統綜合測試儀附錄C充電機測試相關標準解讀C.1電壓整定誤差GB/T19826-2005中第6.4.2條中規定了充電電壓整定誤差的測試方法及數據處理方法。充電裝置在穩壓狀態下,直流輸出電壓設定在表2規定的整定范圍內(對于整定好的充電機,則只有一個電壓測試點,對于控制母線,通常取105%Un,對于動力母線,常取110%),
2019-01-15
凱迪正大高壓電纜故障測試步驟及相關注意事項,技術資訊,新聞中心,武漢凱迪正大電氣有限公司,凱迪正大高壓電纜故障測試步驟及相關注意事項高壓顧名思義就是高電壓,一般我們把1KV-500KV分為高壓,500KV以上超高壓,還有特高壓等。生活中我們接觸最多的是低壓1V-380V最為常見,高壓電能的輸送就需要線纜、電纜傳輸。在一些市區、街道、馬路邊就不再是架空線路了,換裝帶有絕緣層、鋼鍇的電纜,也就是我們經常看到比較粗、黑色的電纜,一般有架空線纜接變壓器下來就是的,這種電纜由于埋地,最接近我們生活中,各種
電力電纜的變頻串聯諧振耐壓試驗,技術資訊,新聞中心,武漢凱迪正大電氣有限公司,電力電纜的變頻串聯諧振耐壓試驗現場電纜試驗模擬圖8.1.1電力電纜試驗電抗器選配原則我們可以把試驗電纜分為小容量試品(如幾十米~幾百米電纜)、中小容量試品(如1km左右電纜)和大容量(試品如電纜長>3km)。我公司生產的54kVA/27kV電抗器根據接線、數量不同都可以兼顧多種不同容量電纜。現給出兩個電抗器幾種示范接法。注意:電抗器放置時底部一定一定一定不要含有金屬物。
2019-01-14
如何選擇10KV和35KV高壓開關柜成套出廠試驗設備,技術資訊,新聞中心,武漢凱迪正大電氣有限公司,如何選擇10KV和35KV高壓開關柜成套出廠試驗設備?35KV高壓開關柜及10KV高壓開關柜和成套設備出廠試驗很多,所需的試驗設備選型困難,選擇正確合適的成套檢測設備困擾著質檢部技術員,面對國家電網公司、國家電力對高低壓成套設備的嚴格要求,技術人員選擇優質、高精度檢測高低壓成套電力設備是必不可少的。武漢凱迪正大電氣有限公司致力于高低壓成套設備檢測裝置儀表研發生產多年,組織公司技術員為大家推薦幾款合
掃碼 關注我們
掃碼 在線溝通
027-83551828